AZM69☐0C専用 直交軸ギヤ・中空/中実タイプ(AFC)

-
ニッセイ製の高許容トルク・省スペース・高精度の直交中空軸・中実軸ギヤヘッドと、オリエンタルモーター製αSTEP AZシリーズのモーターと 組み合わせ、さらなる使いやすさを追求しました。
・直交中空軸・中実軸タイプ
・許容トルク:2~13N・m
・減速比:1/5~1/30
・バックラッシ:3分 又 は30分
特徴
省スペースを実現する直交ギヤ
装置に対してモータを直角配置できるため、狭い設置場所でも省スペース化を実現します。
中空ギヤヘッドはシャフトをそのまま差し込めるためカップリング締結の必要がありません。
部品点数を抑えてコストダウン、装置の設計や組み立てにかかる工数削減にも貢献します。
モータとギヤをセパレートで購入していただき、組み合わせてご使用ください。
< アプリケーション例 >
ベルトコンベア駆動

AGV(無人搬送台車)の駆動

ハイブリッド制御システムαSTEP AZシリーズ
駆動源に使用するモータは、オリエンタルモーター製αSTEP(アルファステップ)AZシリーズ200W相当です。AZシリーズは、
指令位置に対して実際のロータ回転位置の偏差(遅れ/進み)を偏差カウンタで演算し、演算結果から「過負荷領域」を判別することで、
オープンモード/クローズドモードの制御を切り替えて、位置・速度を、監視・補正する信頼性の高いモータです。
最大の特徴はバッテリーレス アブソリュートエンコーダを搭載→バッテリー交換は不要で、 任意に機械原点を設定できますので、センサが一切不要です。
パルス列・位置決め機能内蔵ドライバや各種ネットワーク対応ドライバを選択し、上位のコントローラに合わせてお選びください。
組み合わせ一覧
直交中空軸ギヤとモータとの組み合わせ
![]() |
減速機(バックラッシ30分) *バックラッシ3分タイプも用意があります。 |
励磁最大 静止トルク (N・m) |
CAD_STP (減速機のみ) |
CAD_DXF (減速機のみ) |
||
| 減速比 | 標準モータ | 電磁ブレーキ付きモータ | ||||
| AC入力 | 5 | AFCZ12S-5L200S3X+AZM69A0C | AFCZ12S-5L200S3X+AZM69M0C | 6 | |
|
| 10 | AFCZ18S-10L200S3X+AZM69A0C | AFCZ18S-10L200S3X+AZM69M0C | 12 | |
||
| 15 | AFCZ18S-15L200S3X+AZM69A0C | AFCZ18S-15L200S3X+AZM69M0C | 18 | |||
| 20 | AFCZ18S-20L200S3X+AZM69A0C | AFCZ18S-20L200S3X+AZM69M0C | 24 | |||
| 30 | AFCZ18S-30L200S3X+AZM69A0C | AFCZ18S-30L200S3X+AZM69M0C | 33 | |||
|
DC入力 |
5 | AFCZ12S-5L200S3X+AZM69A0K | AFCZ12S-5L200S3X+AZM69M0K | 6 | |
|
| 10 | AFCZ18S-10L200S3X+AZM69A0K | AFCZ18S-10L200S3X+AZM69M0K | 12 | |
|
|
| 15 | AFCZ18S-15L200S3X+AZM69A0K | AFCZ18S-15L200S3X+AZM69M0K | 18 | |||
| 20 | AFCZ18S-20L200S3X+AZM69A0K | AFCZ18S-20L200S3X+AZM69M0K | 24 | |||
| 30 | AFCZ18S-30L200S3X+AZM69A0K | AFCZ18S-30L200S3X+AZM69M0K | 33 | |||
標準モーター AZM69A0C/K 2DCAD:azm69a0c_k.dxf、3DCAD:azm69a0c_k.step
電磁ブレーキ付きモーター AZM69M0C/K 2DCAD:azm69m0c_k.dxf、3DCAD:azm69m0c_k.step
※CADデータは右クリックで名前を付けてリンク先に保存
直交中実軸ギヤとモータとの組み合わせ
![]() |
減速機(バックラッシ30分) *バックラッシ3分タイプも用意があります。 |
励磁最大 静止トルク (N・m) |
CAD_STP | CAD_DXF | ||
| 減速比 | 標準モータ | 電磁ブレーキ付きモータ | ||||
| AC入力 | 5 | AFCZ12L-5L200S3X+AZM69A0C | AFCZ12L-5L200S3X+AZM69M0C | 6 | |
|
| 10 | AFCZ18L-10L200S3X+AZM69A0C | AFCZ18L-10L200S3X+AZM69M0C | 12 | |||
| 15 | AFCZ18L-15L200S3X+AZM69A0C | AFCZ18L-15L200S3X+AZM69M0C | 18 | |||
| 20 | AFCZ18L-20L200S3X+AZM69A0C | AFCZ18L-20L200S3X+AZM69M0C | 24 | |||
| 30 | AFCZ18L-30L200S3X+AZM69A0C | AFCZ18L-30L200S3X+AZM69M0C | 33 | |||
|
DC入力 |
5 | AFCZ12L-5L200S3X+AZM69A0K | AFCZ12L-5L200S3X+AZM69M0K | 6 | |
|
| 10 | AFCZ18L-10L200S3X+AZM69A0K | AFCZ18L-10L200S3X+AZM69M0K | 12 | |||
| 15 | AFCZ18L-15L200S3X+AZM69A0K | AFCZ18L-15L200S3X+AZM69M0K | 18 | |||
| 20 | AFCZ18L-20L200S3X+AZM69A0K | AFCZ18L-20L200S3X+AZM69M0K | 24 | |||
| 30 | AFCZ18L-30L200S3X+AZM69A0K | AFCZ18L-30L200S3X+AZM69M0K | 33 | |||
※組合せるモーターのCADはこちらから
標準モーター AZM69A0C/K 2DCAD:azm69a0c_k.dxf、3DCAD:azm69a0c_k.step
電磁ブレーキ付きモーター AZM69M0C/K 2DCAD:azm69m0c_k.dxf、3DCAD:azm69m0c_k.step
※CADデータは右クリックで名前を付けてリンク先に保存
モーターとギヤの組付け方法
モーターとギヤの組付け方法はこちら>>中空軸負荷の取付方法
中空軸の負荷の取付方法例を3種動画で説明します。ドライバの品名

| ドライバタイプ | 単相100-120V | 単相/三相 200-240V |
DC24V/48V | DC24C/48 miniドライバ |
DC24C/48 多軸ドライバ |
| 位置決め機能内蔵タイプ | AZD-AD | AZD-CD | AZD-KD | AZD-KR2D | ー |
| RS-485通信付きパルス列入力タイプ | AZD-AX | AZD-CX | AZD-KX | AZD-KRX | ー |
| パルス列入力タイプ | AZD-A | AZD-C | AZD-K | ー | ー |
| EtherNet/IP対応 | AZD-AEP | AZD-CEP | AZD-KEP | AZD-KREP | ー |
| EtherCAT対応 | AZD-AED | AZD-CED | AZD-KED | AZD-KRED | AZD2B-KED AZD3A-KED AZD4A-KED |
| MECHATROLINK‐Ⅲ対応 | AZD-AM3 | AZD-CM3 | ー | ー | AZD2B-KM3 AZD3A-KM3 AZD4A-KM3 |
| SSCNETⅢ/H対応 | AZD-AS3 | AZD-CS3 | ー | ー | AZD2B-KS3 AZD3A-KS3 AZD4A-KS3 |
| PROFINET対応 | AZD-APN | AZD-CPN | AZD-KPN | AZD-KRPN | ー |
*位置決め機能内蔵タイプはあらかじめ動作パターンをドライバに入力させてStart信号のみで自動運転が可能になります。詳しくはこちら⋙
組合わせるドライバの詳細はこちら⋙を参照ください。
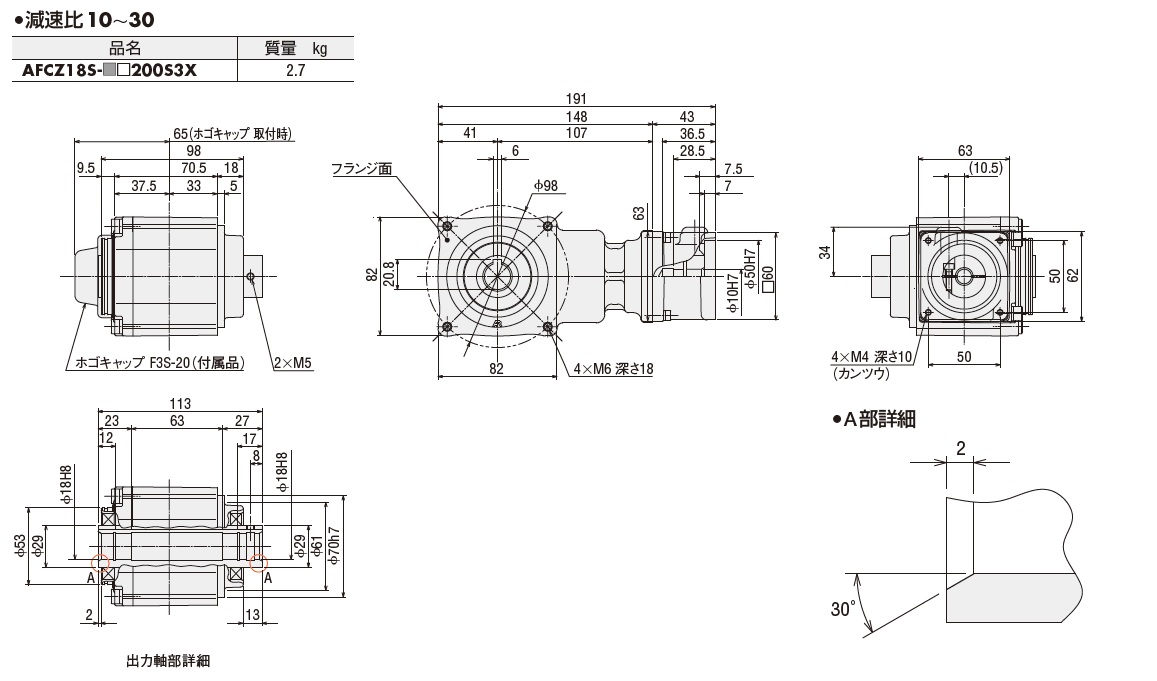
外形図 (品名の□には L バックラッシ30分または M バックラッシ3分の表記になります)











