ELGCシリーズ ベルトタイプ

-
【 特 徴 】
■ ロングストローク:最長 2000mm
■ 高速ベルト駆動:最高速度 1500mm/sec
■ 繰返し位置決め精度:±0.1mm
■ スライダサイズ(幅):45mm / 60mm / 80mm
■ ステンレス防塵カバー付
■ 外部センサー不要(オリエンタルモーター社製、AZシリーズとご使用頂いた場合)
■ スライダとモーター、モーター取付キットは別売です。
ベルト駆動 / リニアガイド・シングル
| サイズ | スライダ+モータ品番 | ストローク | 最高速度 | 最大可搬質量 | プーリー径 |
| mm | mm/sec | kg(水平) | mm | ||
| 45 | ELGC-TB-KF-45-200+EAMM-A-V32-42AB+AZM46AC | 200 | 1200 |
1.3 |
19.10 |
| ELGC-TB-KF-45-300+EAMM-A-V32-42AB+AZM46AC | 300 | ||||
| ELGC-TB-KF-45-500+EAMM-A-V32-42AB+AZM46AC | 500 | ||||
| ELGC-TB-KF-45-600+EAMM-A-V32-42AB+AZM46AC | 600 | ||||
| ELGC-TB-KF-45-800+EAMM-A-V32-42AB+AZM46AC | 800 | ||||
| ELGC-TB-KF-45-1000+EAMM-A-V32-42AB+AZM46AC | 1000 | ||||
| ELGC-TB-KF-45-1200+EAMM-A-V32-42AB+AZM46AC | 1200 | ||||
| ELGC-TB-KF-45-1500+EAMM-A-V32-42AB+AZM46AC | 1500 | ||||
| 60 | ELGC-TB-KF-60-200+EAMM-A-T42-60AB+AZM69AC | 200 | 1500 |
13 |
24.83 |
| ELGC-TB-KF-60-300+EAMM-A-T42-60AB+AZM69AC | 300 | ||||
| ELGC-TB-KF-60-500+EAMM-A-T42-60AB+AZM69AC | 500 | ||||
| ELGC-TB-KF-60-600+EAMM-A-T42-60AB+AZM69AC | 600 | ||||
| ELGC-TB-KF-60-800+EAMM-A-T42-60AB+AZM69AC | 800 | ||||
| ELGC-TB-KF-60-1000+EAMM-A-T42-60AB+AZM69AC | 1000 | ||||
| ELGC-TB-KF-60-1200+EAMM-A-T42-60AB+AZM69AC | 1200 | ||||
| ELGC-TB-KF-60-1500+EAMM-A-T42-60AB+AZM69AC | 1500 | ||||
| ELGC-TB-KF-60-1800+EAMM-A-T42-60AB+AZM69AC | 1800 | ||||
| ELGC-TB-KF-60-2000+EAMM-A-T42-60AB+AZM69AC | 2000 | ||||
| 80 | ELGC-TB-KF-80-200+EAMM-A-T46-85AA+AZM911AC | 200 | 1500 |
21 |
33.42 |
| ELGC-TB-KF-80-300+EAMM-A-T46-85AA+AZM911AC | 300 | ||||
| ELGC-TB-KF-80-500+EAMM-A-T46-85AA+AZM911AC | 500 | ||||
| ELGC-TB-KF-80-600+EAMM-A-T46-85AA+AZM911AC | 600 | ||||
| ELGC-TB-KF-80-800+EAMM-A-T46-85AA+AZM911AC | 800 | ||||
| ELGC-TB-KF-80-1000+EAMM-A-T46-85AA+AZM911AC | 1000 | ||||
| ELGC-TB-KF-80-1200+EAMM-A-T46-85AA+AZM911AC | 1200 | ||||
| ELGC-TB-KF-80-1500+EAMM-A-T46-85AA+AZM911AC | 1500 | ||||
| ELGC-TB-KF-80-1800+EAMM-A-T46-85AA+AZM911AC | 1800 | ||||
| ELGC-TB-KF-80-2000+EAMM-A-T46-85AA+AZM911AC | 2000 |
Webショップで納期・価格情報が確認できます。
ドライバは別売りです。5タイプのドライバと組み合わせが可能です。
組合わせるドライバに関する詳細についてはこちらを参照ください。
参考ページ:電動アクチュエータ採用事例:コストを抑えたシンプルな機構で自動化を実現
仕様値

CADデータ
ストローク違いのCADデータが必要な際にはお申し付けください。または https://www.festo.com/cat/ja_jp/products_ELGC_TB (ログインが必要です)
*右クリックでリンク先を保存してお使いください。
●2DCAD
| スライダ(1000mm) | モーター | 取付キット | |
| ELGC-TB-45 | 8062773_ELGC-TB-KF-45-1000.zip | AZM46A0C.dxf | 【2DCAD】_EAMM-A-V32-42AB.zip |
| ELGC-TB-60 | 8062781_ELGC-TB-KF-60-1000.zip | AZM69A0C.dxf | 【2DCAD】_EAMM-A-T42-60AB.zip |
| ELGC-TB-80 | 8062791_ELGC-TB-KF-80-1000.zip | AZM911A0C.dxf | 【2DCAD] _EAMM-A-T46-85AA.zip |
●3DCAD
| スライダ(1000mm) | モーター | 取付キット | |
| ELGC-TB-45 | 8062773_ELGC-TB-KF-45-1000.stp | AZM46A0C.stp | 【3DCAD】_EAMM-A-V32-42AB.stp |
| ELGC-TB-60 | 8062781_ELGC-TB-KF-60-1000.stp | AZM69A0C.stp | 【3DCAD】_EAMM-A-T42-60AB.stp |
| ELGC-TB-80 | 8062791_ELGC-TB-KF-80-1000.stp | AZM911A0C.stp | 【3DCAD】_EAMM-A-T46-85AA.stp |
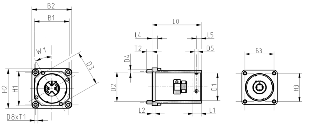
外形図
■アクチュエータ
■モーター取付キット


本体取付キット
この商品には複数軸を組み合わせるための取付キットが用意されています。
組付け可能なコンパクト電動シリンダと簡単に組み合わせることができます。



