FESTO 電動プレスシリンダ

- ボールねじ機構を採用したシリンダタイプです。
モータを折り返したことにより省スペース化かつ高推力を実現。
モータはオリエンタルモーターのαSTEP(アルファステップ)AZシリーズを採用。
ギヤ、モータを組み付けた状態でお届けします。
【概 要】
・最大推力:1000N
・最大速度:200mm/sec
・ストローク:100mm
・取付角寸法:□64
・インデックス運転・データ選択運転機能内蔵
品名・仕様
シリンダ、モータ、ギヤを組付けた状態で1セットにしてお届けします。
| 品名 | ESBF-50-100BS20-J96505 (電磁ブレーキなし) |
ESBF-50-100BS20-J96504 (電磁ブレーキ付) |
| モータ品名 | AZM69AC (オリエンタルモーター) |
AZM69MC (オリエンタルモーター) |
| ギヤ品名 | PG2-060 (アペックスダイナミックスジャパン) |
|
| シリンダ品名 | ESBF-BS-50-100-20P | |
| 最大推力・最大保持力(電源ON/電磁ブレーキ) | 1000N | |
| 押し当て力 | 1000N | |
| ストローク | 100mm | |
| 位置決め運転 最大推力/速度範囲 | 1000N(50mm/sec) 400N(~200㎜/sec) |
|
| 押し当て運転 押し当て力/速度範囲 | ~600N(~6㎜/s) | |
| タイプ | 折り返しタイプ | |
| 取付角寸法 | □64 | |
| リード | 20㎜ | |
| 駆動方式 | ボールねじ+ギヤ | |
| 減速比 | 4 | |
| 繰り返し位置決め精度 | ±0.01mm | |
| 分解能 | 1000p/r | |
| 電源入力 電圧 | AC100V、200V | |
| 電源入力 周波数 | 50/60Hz | |
| メカ設計の時短に貢献 | |
|
|
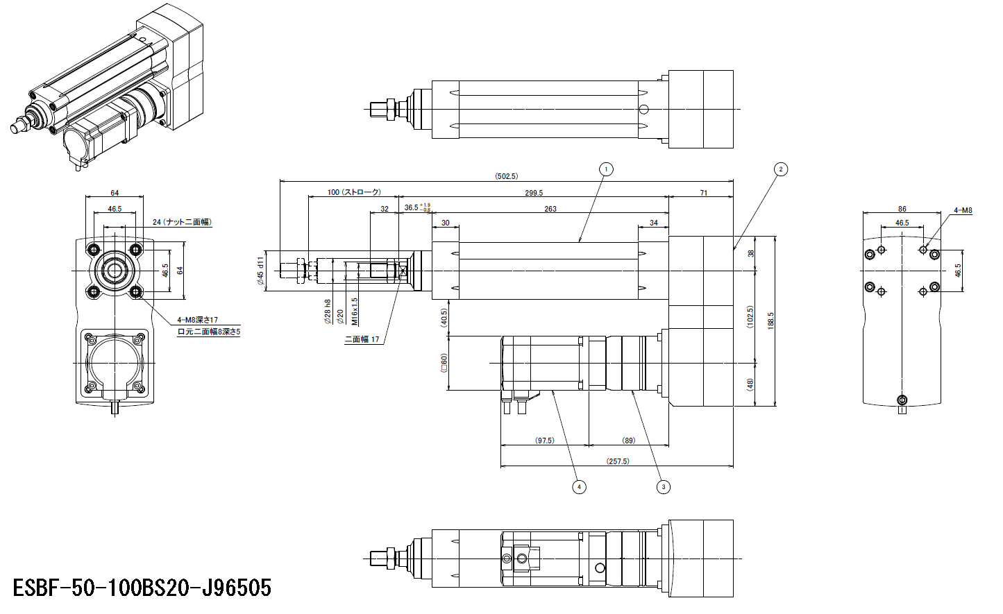
外形図、CAD
| ESBF-50-100BS20-J96505 (電磁ブレーキなし) |
ESBF-50-100BS20-J96504 (電磁ブレーキ付) |
|
| 外形図 | ESBF-50-100BS20-J96505_外形図.png | ESBF-50-100BS20-J96504_外形図.png |
| 2DCAD | J96505_2D.zip | J96504_2D.zip |
| 3DCAD | J96505_3D.zip | J96504_3D.zip |
アクセサリ
取付アクセサリが充実しています。様々なアプリケーションに簡単に組み込みしていただけます。


外部機器を接続し、荷重のモニタリングが可能です
プレスコントローラ

-
上位PLCやモーションコントローラを使わずに、プレスコントローラ1台のみで、
モーターの駆動・測定・判定・監視・記録 のすべてを自由に構築することができるタッチパネル商品です。
このプレスコントローラはタッチパネルにパルス列方式でモータを制御する位置決めコントローラが
内蔵されています。PLCなしで連続試験を繰り返し、データを蓄積させることができます。
本体は、ロードセルの入力とドライバからのフィードバック信号を取り込んで測定波形を表示します。
タッチパネルに設定波形を入力すると、測定波形と比較して良否の判定を行うことができます。
測定結果はSDカードに記録され、上位ホストにアップロードすることができます。 -
タッチパネルでモータの運転パターンを入力します。最大256通りの入力が可能です。
1サイクルの動きで最大100通りの運転パターンを連結して使用することができます。
■動作例
スタート信号入力で圧入部品に近づき、予備圧入の開始と同時に測定波形の判定を行い部品の変形、割れを監視します。
良品の場合そのまま圧入を行いというプログラム例です。
代表的な運転プログラムが本体に保存されていますので、数値を入力するだけでプログラムの作成ができます。
1サイクルの動作中、最大5回の良否判定を設定することができます。 良否判定は可能な測定内容としては、
①ピーク時の値、②最小トルク値、③ピーク・ボトム値、④平均値、⑤最小・最大値、⑥変曲点、⑦終点、⑧任意設定値から選べます。
三品業界をはじめとする省人化に向けて、圧入工程で必要な推力が出せる電動スライダをお選びください。
品質のリライアビリティーを保証するためにもプレスコントローラを使った加圧システム構成をご検討ください。



