イノアック車輪 AGV用駆動車輪


-
AGV用駆動車輪
AMR/AGVの用途で使用できる、駆動車輪です。
駆動車輪用モーターとの組み合わせることで、車輪とモーターの組み付けが簡単に実現可能。
モータはオリエンタルモーターのBLVシリーズ Rタイプ 駆動車輪用モータがすぐ組み付けられます。
モータの内径に合っている車輪のため、そのまま使用することができ、
車輪機構設計・車輪選定の手間を削減することが可能です。-
特徴
装置設計・立上げの時間短縮に貢献
モータはオリエンタルモーターのBLVシリーズ Rタイプ 駆動車輪用モータがすぐ組み付けられます。
モータの内径に合っている車輪のため、そのまま使用することができ、
車輪機構設計・車輪選定の手間を削減することが可能です。
BLVシリーズ Rタイプ 駆動車輪用モータ の詳細はこちら>>
用途例
AMR(自律走行搬送ロボット)・ AGV(無人搬送車)に最適です。
品名・組み合わせ一覧
車輪は、ゴム車輪・ウレタン車輪の2タイプをラインアップしています。
※1:モータ組み合わせ時の耐荷重となります。車輪品番 車輪径[mm] 車輪耐荷重※1
[kg/輪]モータ出力[W] モータ取付角
寸法[mm]モータ品番※4 DWR-150D
(ゴム車輪タイプ)150 100 100 90 BLMR5100K■※2-□※3FR-FW1 100 200 90 BLMR5200K■※2-□※3FR-FW1 130 400 104 BLMR6400SK■※2-□※3FR-FW1 DWU-150D
(ウレタン車輪タイプ)150 100 100 90 BLMR5100K■※2-□※3FR-FW1 100 200 90 BLMR5200K■※2-□※3FR-FW1 130 400 104 BLMR6400SK■※2-□※3FR-FW1
※2:品名中の■には、M(電磁ブレーキ付)が入ります。電磁ブレーキなしの場合、■に記号は入りません。
※3:品名中の□には、減速比を示す数字が入ります。
※4:BLVシリーズ Rタイプ 駆動車輪用モータ の詳細はこちら>>
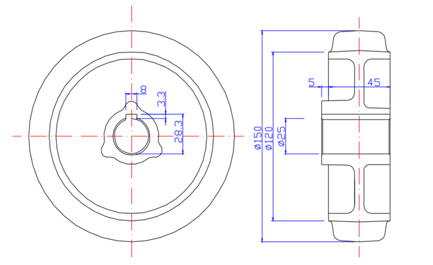
外形図
※1:参考値となります。項目 DWR-150D DWU-150D 許容耐荷重/輪(kgf)※1 200 300 車輪径[mm] Φ150 取付内径[mm] Φ25 車輪重量[kg] 0.79 0.85
CADデータ
品番 2D CAD 3D CAD DWR-150D DWR-150D.dxf DWR-150D-3D-step.STEP DWU-150D DWU-150D.dxf DWU-150D-3D-step.STEP 関連製品
車輪を直接取り付けできる駆動車輪用モーターをご用意しています。ブラシレスモーター
製品選定段階から装置設計をサポートいたします! お気軽にご相談ください
フォームが表示されるまでしばらくお待ち下さい。
恐れ入りますが、しばらくお待ちいただいてもフォームが表示されない場合は、こちらまでお問い合わせください。
-



