三共製作所 ローラドライブ RGVシリーズ
-
ローラドライブ RGVシリーズ
回転機構とモータを一体化した中空ロータリアクチュエータです。
三共製作所ゼロバックラッシポジショナにハーモニック・ドライブ・システムズ製減速機とオリエンタルモーター製のモータを組み合わせ、高性能と使いやすさを両立しました。
バックラッシがなく高剛性、更にセンサレス設計が可能なので重量物の高精度位置決め装置におすすめします。●大口径中空テーブル
●高重量・大慣性駆動
●高精度位置決め
●センサレス設計ゼロバックラッシ(ローラドライブの構造)
スクリュー形状をした入力軸(ローラギヤカム)とローラフォロアが放射状に埋め込まれた出力軸(タレット)で構成されていて、
それぞれの軸が直交にレイアウトされています。ローラフォロアはくさび形状をした入力リブ表面に予圧状態で接触しており、
入力軸側の調整機能によって、バックラッシ(がたつき)を完全に除去される構造です。
複数のローラフォロアが入力リブと予圧状態で噛み合うため、入力一回転の全域でゼロバックラッシを実現します。小型モータで高重量・大慣性駆動
ローラードライブの高剛性構造と、減速機HPNシリーズを組み合わせての高い減速比により大きなトルクを実現。
小型モータ搭載ながら高重量搬送、大慣性駆動を行うことができます。出力軸は中空テーブル構造
出力テーブルには、装置のテーブルやアームを直接取り付けることができます。
ベルト、プーリなどの機構部品を使用した場合にくらべ、機構設計、部品手配、ベルトテンション調整などの手間やコストを削減できます。
また、中空のため、例えばロボットを搭載した場合、各関節にあるモータのケーブルを中空穴を通して配線することができます。高精度位置決め
独自のローラギヤカム機構と予圧メカニズムによりバックラッシゼロのギヤ機構。
バックラッシゼロのローラドライブと、バックラッシレスの減速機HPNシリーズの組み合わせにより高い位置決め精度を実現。モータのここがすごい!
センサレス設計が可能
バッテリレス機械式アブソリュートエンコーダ搭載のため、原点センサやリミットセンサが不要ですっきりとした配線設計ができます。回転制御に適した機能により、制御が簡単になります
AZシリーズ、AZXシリーズには回転制御に適した機能が搭載。これにより回転制御が簡単に行えます。
上位コントローラに合わせた制御が可能
いろいろな上位コントローラに対応できるよう、さまざまなインターフェースのドライバをラインアップ。
用途例
インデックステーブル、ターンテーブル、ゆりかご駆動、ロボット旋回 等ラインアップ
品名の見方
仕様
RGV040
-
RGV040(AZシリーズ搭載)
※1:ギヤヘッドを除いたローラドライブの精度を表していますローラドライブセット品名(片軸シャフト) RGV040-150GT-AZA RGV040-225GT-AZA RGV040-300GT-AZA ローラドライブセット品名(電磁ブレーキ付) RGV040-150GT-AZB RGV040-225GT-AZB RGV040-300GT-AZB ローラドライブ品名 RGV040-015GT-VN(減速比15) RGV040-015GT-VN(減速比15) RGV040-015GT-VN(減速比15) ギヤヘッド品名 HPN-11A-10-J6ADHZ-XF1-OM(減速比10) HPN-11A-15-J6ADHZ-XF1-OM(減速比15) HPN-11A-20-J6ADHZ-XF1-OM(減速比20) モータ品名 AZM46A0C(片軸シャフト)、AZM46M0C(電磁ブレーキ付) 総減速比 150 225 300 ロータ慣性モーメント(×10-4kg・m2) 0.055 0.055 0.055 電磁ブレーキ慣性モーメント(×10-4kg・m2) 0.016 0.016 0.016 モータ軸換算ギヤ慣性モーメント(×10-4kg・m2) 0.004 0.002 0.001 許容トルク(N・m) 38.2 56.1 67 停止時保持トルク 通電時(N・m) 19.1 28 37.6 停止時保持トルク 電磁ブレーキ(N・m) 19.1 28 37.6 最高回転速度(r/min) 29.3 20 14.7 繰り返し位置決め精度※1(arcsec以下) ±10 バックラッシ(arcmin) ローラードライブ部:0
HPNギヤヘッド部:5ローラードライブ部:0
HPNギヤヘッド部:7許容アキシャル荷重(N) 1,115 許容ラジアル荷重(N) 766 許容モーメント(N・m) 42 質量(kg) 片軸シャフト/電磁ブレーキ付 5.23/5.40 5.36/5.53 5.36/5.53 外形図 片軸シャフト+電磁ブレーキ付 2DCAD※2 片軸シャフト 電磁ブレーキ付 片軸シャフト 電磁ブレーキ付 3DCAD※2 片軸シャフト 電磁ブレーキ付 片軸シャフト 電磁ブレーキ付
※2:CADデータは右クリック"名前を付けてリンク先を保存"

※出力の慣性モーメントが大きい場合、急加速、急減速を行うとローラドライブが破損する可能性があります。
最大トルクを超えないよう加速時間、減速時間を長めに設定してください。
※ドライバは別売りです。組合わせるドライバに関する詳細についてはこちらを参照ください。RGV063
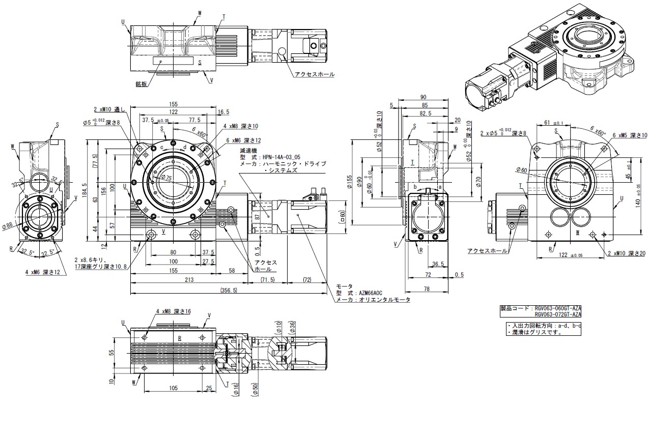
RGV063(AZシリーズ搭載)
※1:ギヤヘッドを除いたローラドライブの精度を表していますローラドライブセット品名(片軸シャフト) RGV063-060GT-AZA RGV063-072GT-AZA ローラドライブセット品名(電磁ブレーキ付) RGV063-060GT-AZB RGV063-072GT-AZB ローラドライブ品名 RGV063-012GT-VN(減速比12) RGV063-024GT-VN(減速24) ギヤヘッド品名 HPN-14A-05-J6AEA-YB1-OM(減速比5) HPN-14A-03-J6AEA-YB1-OM(減速比3) モータ品名 AZM66A0C(片軸シャフト)、AZM66M0C(電磁ブレーキ付) 総減速比 60 72 ロータ慣性モーメント(×10-4kg・m2) 0.37 0.37 電磁ブレーキ慣性モーメント(×10-4kg・m2) 0.16 0.16 モータ軸換算ギヤ慣性モーメント(×10-4kg・m2) 0.067 0.163 許容トルク(N・m) 64.2 73.4 停止時保持トルク 通電時(N・m) 32.1 36.7 停止時保持トルク 電磁ブレーキ(N・m) 32.1 36.7 最高回転速度(r/min) 50 33.3 繰り返し位置決め精度※1(arcsec以下) ±7 バックラッシ(arcmin) ローラードライブ部:0
HPNギヤヘッド部:5許容アキシャル荷重(N) 2,968 3,486 許容ラジアル荷重(N) 2,642 3,082 許容モーメント(N・m) 160 176 質量(kg) 片軸シャフト/電磁ブレーキ付 10.19/10.58 10.19/10.58 外形図 片軸シャフト+電磁ブレーキ付 2DCAD※2 片軸シャフト 電磁ブレーキ付 3DCAD※2 片軸シャフト 電磁ブレーキ付
※2:CADデータは右クリック"名前を付けてリンク先を保存"

※出力の慣性モーメントが大きい場合、急加速、急減速を行うとローラドライブが破損する可能性があります。
最大トルクを超えないよう加速時間、減速時間を長めに設定してください。
※ドライバは別売りです。組合わせるドライバに関する詳細についてはこちらを参照ください。RGV100
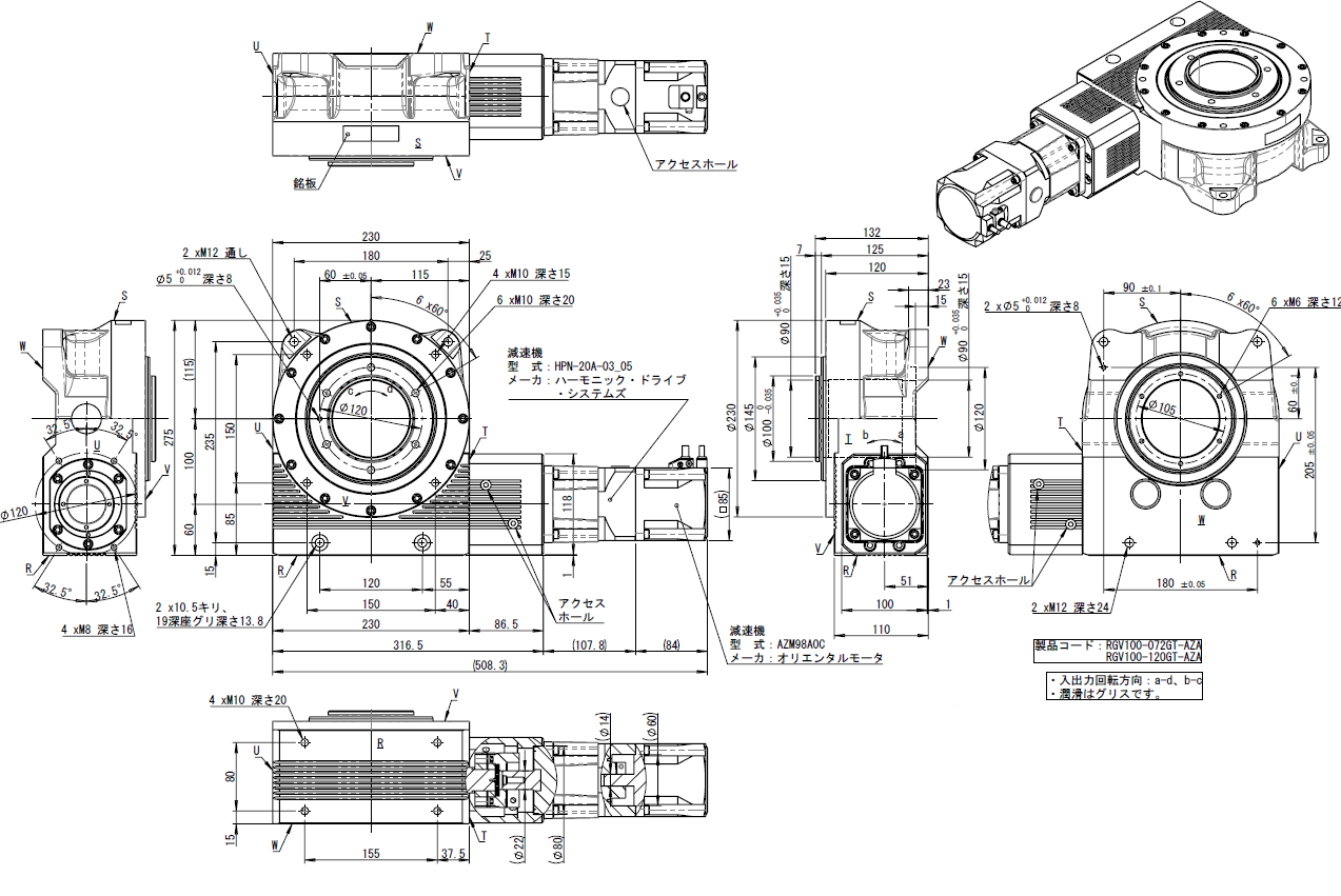
RGV100(AZシリーズ搭載)
ローラドライブセット品名(片軸シャフト) RGV100-072GT-AZA RGV100-120GT-AZA ローラドライブセット品名(電磁ブレーキ付) RGV100-072GT-AZB RGV100-120GT-AZB ローラドライブ品名 RGV100-024GT-VN(減速24) RGV100-024GT-VN(減速24) ギヤヘッド品名 HPN-20A-03-J6AFC-BC3-BL3-OM(減速比3) HPN-20A-05-J6AFC-BC3-BL3-OM(減速比5) モータ品名 AZM98A0C(片軸シャフト)、AZM98M0C(電磁ブレーキ付) 総減速比 72 120 ロータ慣性モーメント(×10-4kg・m2) 1.09 1.09 電磁ブレーキ慣性モーメント(×10-4kg・m2) 0.16 0.16 モータ軸換算ギヤ慣性モーメント(×10-4kg・m2) 0.828 0.298 許容トルク(N・m) 122 204 停止時保持トルク 通電時(N・m) 61.2 102 停止時保持トルク 電磁ブレーキ(N・m) 61.2 102 最高回転速度(r/min) 27.1 23.33 繰り返し位置決め精度※1 (arcsec以下) ±5 バックラッシ(arcmin) ローラードライブ部:0 HPNギヤヘッド部:3 許容アキシャル荷重(N) 4,242 4,242 許容ラジアル荷重(N) 3,741 3,741 許容モーメント(N・m) 520 520 質量(kg) 片軸シャフト/電磁ブレーキ付 30.9/31.5 31.5/32.1 外形図 片軸シャフト+電磁ブレーキ付 2DCAD※2 片軸シャフト 電磁ブレーキ付 3DCAD※2 片軸シャフト 電磁ブレーキ付 ※1:ギヤヘッドを除いたローラドライブの精度を表しています
※2:CADデータは右クリック"名前を付けてリンク先を保存"

※出力の慣性モーメントが大きい場合、急加速、急減速を行うとローラドライブが破損する可能性があります。
最大トルクを超えないよう加速時間、減速時間を長めに設定してください。
※ドライバは別売りです。組合わせるドライバに関する詳細についてはこちらを参照ください。RGV100(AZXシリーズ搭載)
※1:ギヤヘッドを除いたローラドライブの精度を表していますローラドライブセット品名(片軸シャフト) RGV100-120GT-AZXA RGV100-180GT-AZXA RGV100-360GT-AZXA ローラドライブセット品名(電磁ブレーキ付) RGV100-120GT-AZXB RGV100-180GT-AZXB RGV100-360GT-AZXB ローラドライブ品名 RGV100-012GT-VN(減速比12) RGV100-012GT-VN(減速比12) RGV100-024GT-VN(減速比24) ギヤヘッド品名 HPN-20A-10-J6AHC-BI2-BL3(減速比10) HPN-20A-15-J6AEA-BB5-BL5(減速比15) HPN-20A-15-J6AEA-BB5-BL5(減速比15) モータ品名 AZXM640AC(片軸シャフト)、AZXM640MC(電磁ブレーキ付) 総減速比 120 180 360 ロータ慣性モーメント(×10-4kg・m2) 0.294 0.294 0.294 電磁ブレーキ慣性モーメント(×10-4kg・m2) 0.022 0.022 0.022 モータ軸換算ギヤ慣性モーメント(×10-4kg・m2) 0.092 0.041 0.033 定格トルク(N・m) 121 162 365 最大トルク(N・m) 269 269 457 保持トルク(N・m) 121 162 365 トルク制限機能によるトルク制限値の設定(%)※3 - 160% 140% 定格出力回転速度(r/min) 41.7(モータ出力軸5000r/min) 30.5(モータ出力軸5500r/min) 15.2(モータ出力軸5500r/min) 繰り返し位置決め精度※1(arcsec以下) ±5 バックラッシ(arcmin) ローラードライブ部:0
HPNギヤヘッド部:3ローラードライブ部:0
HPNギヤヘッド部:5ローラードライブ部:0
HPNギヤヘッド部:5許容アキシャル荷重(N) 4118 4118 4242 許容ラジアル荷重(N) 3496 3496 3741 許容モーメント(N・m) 446 446 520 質量(kg) 片軸シャフト/電磁ブレーキ付 30.5/31 30.5/31 30.5/31 外形図 片軸シャフト+電磁ブレーキ付 2DCAD※2 片軸シャフト 電磁ブレーキ付 片軸シャフト 電磁ブレーキ付 片軸シャフト 電磁ブレーキ付 3DCAD※2 片軸シャフト 電磁ブレーキ付 片軸シャフト 電磁ブレーキ付 片軸シャフト 電磁ブレーキ付
※2:CADデータは右クリック"名前を付けてリンク先を保存"
※3:トルク制限機能を使用して、指定の値を設定してください。トルク制限機能を使用しないとローラドライブが破損する可能性があります。(トルク制限の設定方法はこちら)

※出力の慣性モーメントが大きい場合、急加速、急減速を行うとローラドライブが破損する可能性があります。
最大トルクを超えないよう加速時間、減速時間を長めに設定してください。
※ドライバは別売りです。組合わせるドライバに関する詳細についてはこちらを参照ください。RGV125
RGV125(AZシリーズ搭載)
ローラドライブセット品名(片軸シャフト) RGV125-300GT-AZA RGV125-360GT-AZA RGV125-600GT-AZA ローラドライブセット品名(電磁ブレーキ付) RGV125-300GT-AZB RGV125-360GT-AZB RGV125-600GT-AZB ローラドライブ品名 RGV125-012GT-VN(減速比12) RGV125-024GT-VN(減速24) RGV125-024GT-VN(減速24) ギヤヘッド品名 HPN-20A-25-J6AFC-BB4-BL5-OM(減速比25) HPN-20A-15-J6AFC-BB4-BL5-OM(減速比15) HPN-20A-25-J6AFC-BB4-BL5-OM(減速比25) モータ品名 AZM98A0C(片軸シャフト)、AZM98M0C(電磁ブレーキ付) 総減速比 300 360 600 ロータ慣性モーメント(×10-4kg・m2) 1.09 1.09 1.09 電磁ブレーキ慣性モーメント(×10-4kg・m2) 0.16 0.16 0.16 モータ軸換算ギヤ慣性モーメント(×10-4kg・m2) 0.043 0.095 0.034 許容トルク(N・m) 453.2 612 771.8 停止時保持トルク 通電時( N・m) 260 306 520 停止時保持トルク 電磁ブレーキ(N・m) 260 306 520 最高回転速度(r/min) 14 10 7 繰り返し位置決め精度※1(arcsec以下) ±5 バックラッシ(arcmin) ローラードライブ部:0 HPNギヤヘッド部:5 許容アキシャル荷重(N) 7,510 8,301 8,301 許容ラジアル荷重(N) 6,624 7,321 7,321 許容モーメント(N・m) 1,005 1,164 1,164 質量(kg) 片軸シャフト/電磁ブレーキ付 50.3/50.9 50.3/50.9 50.3/50.9 外形図 片軸シャフト+電磁ブレーキ付 2DCAD※2 片軸シャフト 電磁ブレーキ付 3DCAD※2 片軸シャフト 電磁ブレーキ付 ※1:ギヤヘッドを除いたローラドライブの精度を表しています
※2:CADデータは右クリック"名前を付けてリンク先を保存"

※出力の慣性モーメントが大きい場合、急加速、急減速を行うとローラドライブが破損する可能性があります。
最大トルクを超えないよう加速時間、減速時間を長めに設定してください。
※ドライバは別売りです。組合わせるドライバに関する詳細についてはこちらを参照ください。RGV125(AZXシリーズ搭載)
※1:ギヤヘッドを除いたローラドライブの精度を表していますローラドライブセット品名(片軸シャフト) RGV125-120GT-AZXA RGV125-180GT-AZXA ローラドライブセット品名(電磁ブレーキ付) RGV125-120GT-AZXB RGV125-180GT-AZXB ローラドライブ品名 RGV125-012GT-VN(減速比12) RGV125-012GT-VN(減速比12) ギヤヘッド品名 HPN-32A-10-J6EEAA-CJ3-BL3(減速比10) HPN-32A-15-J6AFC-CC1-BL3(減速比15) モータ品名 AZXM960AC(片軸シャフト)、AZXM960MC(電磁ブレーキ付) 総減速比 120 180 ロータ慣性モーメント(×10-4kg・m2) 0.948 0.948 電磁ブレーキ慣性モーメント(×10-4kg・m2) 0.082 0.082 モータ軸換算ギヤ慣性モーメント(×10-4kg・m2) 0.266 0.118 定格トルク(N・m) 183.1 274.6 最大トルク(N・m) 366.2(単相200V)/453.2(三相200V) 453.2 保持トルク(N・m) 183.1 274.6 トルク制限機能によるトルク制限値の設定(%)※3 単相200V:-
三相200V:270%単相200V:-
三相200V:180%定格出力回転速度(r/min) 37.5(モータ出力軸4500r/min) 30.5(モータ出力軸5500r/min) 繰り返し位置決め精度※1(arcsec以下) ±5 バックラッシ(arcmin) ローラードライブ部:0 HPNギヤヘッド部:3 許容アキシャル荷重(N) 7510 7510 許容ラジアル荷重(N) 6624 6624 許容モーメント(N・m) 1005 1005 質量(kg) 片軸シャフト/電磁ブレーキ付 54.38/55.28 55.9/56.8 外形図 片軸シャフト+電磁ブレーキ付 2DCAD※2 片軸シャフト 電磁ブレーキ付 片軸シャフト 電磁ブレーキ付 3DCAD※2 片軸シャフト 電磁ブレーキ付 片軸シャフト 電磁ブレーキ付
※2:CADデータは右クリック"名前を付けてリンク先を保存"

※ーーー点線は三相200V使用時の最大トルクです。
※出力の慣性モーメントが大きい場合、急加速、急減速を行うとローラドライブが破損する可能性があります。
最大トルクを超えないよう加速時間、減速時間を長めに設定してください。
※ドライバは別売りです。組合わせるドライバに関する詳細についてはこちらを参照ください。
※1:ギヤヘッドを除いたローラドライブの精度を表していますローラドライブセット品名(片軸シャフト) RGV125-360GT-AZXA RGV125-600GT-AZXA ローラドライブセット品名(電磁ブレーキ付) RGV125-360GT-AZXB RGV125-600GT-AZXB ローラドライブ品名 RGV125-024GT-VN(減速比24) RGV125-024GT-VN(減速比24) ギヤヘッド品名 HPN-32A-15-J6AFC-CC1-BL3(減速比15) HPN-32A-25-J6AFC-CC1-BL3(減速比25) モータ品名 AZXM960AC(片軸シャフト)、AZXM960MC(電磁ブレーキ付) 総減速比 360 600 ロータ慣性モーメント(×10-4kg・m2) 0.948 0.948 電磁ブレーキ慣性モーメント(×10-4kg・m2) 0.082 0.082 モータ軸換算ギヤ慣性モーメント(×10-4kg・m2) 0.095 0.034 定格トルク(N・m) 549.3 771.8 最大トルク(N・m) 771.8 771.8 保持トルク(N・m) 549.3 771.8 トルク制限機能によるトルク制限値の設定(%)※3 単相200V:-
三相200V:150%単相200V:130%
三相200V:130%定格出力回転速度(r/min) 15.2(モータ出力軸5500r/min) 9.16(モータ出力軸5500r/min) 繰り返し位置決め精度※1(arcsec以下) ±5 バックラッシ(arcmin) ローラードライブ部:0 HPNギヤヘッド部:3 許容アキシャル荷重(N) 8301 8301 許容ラジアル荷重(N) 7321 7321 許容モーメント(N・m) 1164 1164 質量(kg) 片軸シャフト/電磁ブレーキ付 55.9/56.8 55.9/56.8 外形図 片軸シャフト+電磁ブレーキ付 2DCAD※2 片軸シャフト 電磁ブレーキ付 片軸シャフト 電磁ブレーキ付 3DCAD※2 片軸シャフト 電磁ブレーキ付 片軸シャフト 電磁ブレーキ付
※2:CADデータは右クリック"名前を付けてリンク先を保存"

※ーーー点線は三相200V使用時の最大トルクです。
※出力の慣性モーメントが大きい場合、急加速、急減速を行うとローラドライブが破損する可能性があります。
最大トルクを超えないよう加速時間、減速時間を長めに設定してください。
※ドライバは別売りです。組合わせるドライバに関する詳細についてはこちらを参照ください。



